产品展示
超薄步进电机
NEMA步进电机
无槽无刷电机
直流无刷电机
丝杆电机和线性滑轨
步进驱动器和无刷驱动器
电机零件
激光雷达电机
永磁电机
选型指南
无刷驱动器选择指南
无刷直流电机驱动器命名规则
直流无刷电机命名规则
步进电机命名规则
集成式直流无刷电机命名规则
应用领域
医学领域
机器人学
汽车
安全
5G/6G天线
空气净化器
纺织工业
下载中心
综合样册
简易样本
资质证书
新闻中心
公司简介
关于汉姆
全球销售网络
联系方式
中文
English
首页
>>
产品展示
>>
直流无刷电机
直流无刷电机
φ33 直流无刷电机
非常适合自动化设备、小型传输系统和需要紧凑尺寸和高可靠性的精密应用。
φ33 特性参数
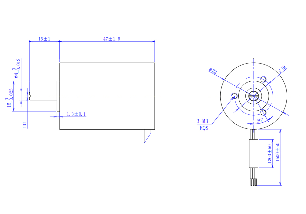
φ33 尺寸图
fφ33 转矩曲线
φ33 接线图
φ33 特性参数
额定电压(VDC)
24
额定功率(W)
18
体长(mm)
47
极对
2
额定扭矩(Nm)
0.03
额定电流(A)
1
额定转速(RPM)
5700
空载转速(RPM)
6300
质量(kg)
0.3
传感器
Hall
工作环境(℃)
-20°~ +80°
储存环境(℃)
+5 ~ +35
工作湿度(RH)
15%-90%
φ33 尺寸图
fφ33 转矩曲线
φ33 接线图