LC23D-75A20 丝杆电机

这两款电机均具有1.8°的步距角和出色的高扭矩输出能力,使其能够满足各种精密工业自动化应用、重型运动平台和对驱动性能有严格要求的特殊场景的需求。



NEMA 23 特性参数


LC23D-75A20
体长42.3mm
额定电压(Vm)直流2.6
安培/相2
电阻/相位Rm(欧姆)1.3
电感/相位(MH@1000Hz)3.2
最小保持扭矩(N-cm)75
步进角(度)1.8
步进精度(非累加)%±5
LC23D-105A30
体长53.3mm
额定电压(Vm)直流2.25
安培/相3
电阻/相位Rm(欧姆)0.75
电感/相位(MH@1000Hz)2.5
最小保持扭矩(N-cm)105
步进角(度)1.8
步进精度(非累加)%±5


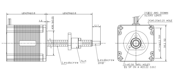
LC23D-75A20 尺寸图

7.png



LC23D-75A20 转矩曲线图

8.png

LC23D-75A20 接线图

9.png