NEMA 17 丝杆电机

这两种电机都具有1.8°的步距角,并提供稳定、高精度的定位性能,使其广泛适用于各种工业自动化设备、高精度运动平台以及其他需要高驱动性能和操作可靠性的应用。


NEMA 17 特性参数


LC17D-23A15
体长33.7mm
额定电压(Vm)直流2.18
安培/相1.5
电阻/相位Rm(欧姆)1.45
电感/相位(MH@1000Hz)2.5
最小保持扭矩(N-cm)23
步进角(度)1.8
步进精度(非累加)%±5
LC17D-48A20
体长47.7mm
额定电压(Vm)直流3.4
安培/相2
电阻/相位Rm(欧姆)1.7
电感/相位(MH@1000Hz)3.4
最小保持扭矩(N-cm)48
步进角(度)1.8
步进精度(非累加)%±5


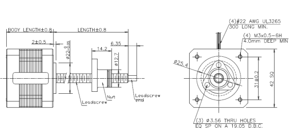
NEMA 17 丝杆电机尺寸图

11.png

NEMA 17 丝杆电机转矩曲线

12.png

NEMA 17 丝杆电机接线图

13.png