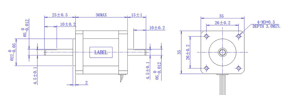
这是一个步距角为1.8°±5%的两相步进电机。其额定电压为4.3V,额定电流为1.0A。该电机提供0.18 N·m的典型保持扭矩,重量约为275g,设计用于在-20℃至50℃的环境温度范围内可靠运行。
| 步进角 | 1.8°±5% |
| 阶段数 | 2 |
| 额定电压 | 4.3 V |
| 额定电流 | 1.0 A |
| 阻力 | 4.3 ohm±10% AT 25° |
| 电感 | 5.5 mH±20% AT 1kHz, 1Vrms |
| 保持转矩 | 0.18 N.m(21.6 oz.in)TYP. |
| 运行扭矩(AT--PPS) | --V.DC, --A/相位 |
| 介电强度 | 500V A.C/MIN. |
| 绝缘电阻 | 100MΩ+/MIN. |
| 绝缘等级 | B类 |
| 温升 | 最大80K |
| 转动惯量 | 22 g.cm²(0.12 oz.in²) |
| 重量 | 约275g(9.7盎司) |
| 允许推力载荷 | 10N |
| 允许径向载荷 | 21N(轴端) |
| 工作环境温度 | ‘-20℃---+50℃ |
| 工作环境湿度 | 15%----90% |
| 生命 | 5000小时 |

| 电压 | 24V.D.C | ○ | 供应 | 绕组 | |
| 电流 | 0.5A/相位 | ○ | 峰值 | AVE | |
| 激发 | 全速 | ||||
| 驱动电路 | HDSD2A8 | 单极 | # | 双极 | |
| 惯性载荷 | -g-cm2 |

