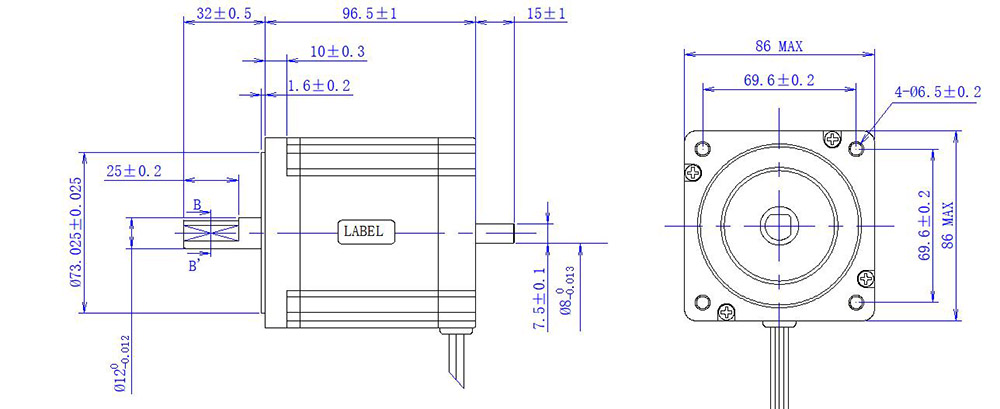
NEMA34步进电机是一种标准的混合式步进电机,步距角为1.8°。
| 步进角 | 1.8°±5% |
| 相数 | 2 |
| 额定电压 | 4.8V |
| 额定电流 | 6 A |
| 电阻 | 0.8ohm±15% AT 25° |
| 电感 | 5.5mH±20% AT 1kHz, 1Vrms |
| 保持转矩 | 8.2N.m(624 oz.in)TYP. |
| 运行扭矩(AT --PPS) | --V.DC, --A/PHASE |
| 介电强度 | 500V A.C/MIN. |
| 绝缘电阻 | 100MΩ+/MIN. |
| 绝缘等级 | CLASS B |
| 温升 | 80K MAX. |
| 转动惯量 | 1850 g.cm²(2.63 oz.in²) |
| 重量 | APPROX. 1000g(2.21 oz) |
| 允许推力载荷 | 60 N |
| 允许径向载荷 | 220 N(ON THE SHAFT END) |
| 工作环境温度 | ‘-20℃---+50℃ |
| 工作环境湿度 | 15%----90% |
| LIFE使用寿命 | 5000小时 |

| 电压 | 24V.D.C | ○ | 供应 | 绕组 | |
| 电流 | 4.5A/相位 | ○ | 峰值 | AVE | |
| 激发 | 全速 | ||||
| 驱动电路 | DM542 | 单极 | # | 双极 | |
| 惯性载荷 | 25000g-cm2 |

