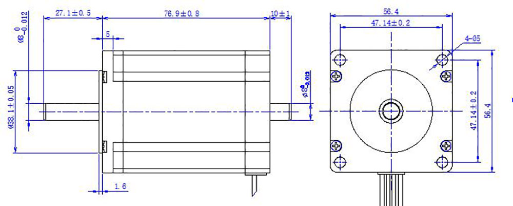
NEMA23步进电机是一种标准的混合式步进电机,尺寸为56.4*56.4,步距角为0.9°。
| 步进角 | 0.9°±5% |
| 相数 | 2 |
额定电压 | 2.0 V |
| 额定电流 | 5.0 A |
| 电阻 | 0.4 ohm±0.1 AT 25° |
| 电流 | 1.7 mH±20% AT 1kHz, 1Vrms |
| 保持转矩 | 1.6 N.m(226.2 oz.in)TYP. |
| 运行扭矩(AT --PPS) | --V.DC, --A/PHASE |
| 介电强度 | 500V A.C/MIN. |
| 绝缘电阻 | 100MΩ+/MIN. |
| 绝缘等级 | CLASS B |
| 温升 | 80K MAX. |
| 转动惯量 | 480 g.cm²(2.64 oz.in²) |
| 重量 | APPROX. 1000g(35.0 oz) |
| 允许推力载荷 | 15N |
| 允许径向载荷 | 75N(ON THE SHAFT END) |
| 工作环境温度 | ‘-20℃---+50℃ |
| 工作环境湿度 | 15%----90% |
| 使用寿命 | 5000HOURS |

| 电压 | 24V.D.C | ○ | 供应 | 绕组 | |
| 电流 | 1.6A/相位 | ○ | 峰值 | AVE | |
| 激发 | 全速 | ||||
| 驱动电路 | HDSD2A8 | 单极 | # | 双极 | |
| 惯性载荷 | 10g-cm2 |

