HEM-8D4401-28 NEMA 8 步进电机

NEMA8是一款紧凑型混合动力电机,主要用于小型精密仪器。   

HEMM的新款NEMA 8系列产品具有高效能和高性能。





HEM-8D4401-28 特性参数

步进角                              1.8°±5%
相 数2
额定电压4.88V
额定电流0.4A
阻力12.2 ohm±10%   AT 25°
电感4.0 mH±20%    AT 1kHz, 1Vrms
保持转矩0.025 N.m(3.54  oz.in)TYP.
运行扭矩(AT--PPS)--V.DC, --A/PHASE
介电强度500V A.C/MIN.
绝缘等级100MΩ+/MIN.
温升CLASS B
转子惯性80K MAX.
重量3.6 g.cm²(0.02 oz.in²)
允许推力载荷APPROX. 75g(2.64 oz)
允许轴向载荷2N
允许径向载荷20 N(ON THE SHAFT END)
工作环境温度-20℃---+50℃
操作环境嗡嗡声15%----90%
生命5000HOURS


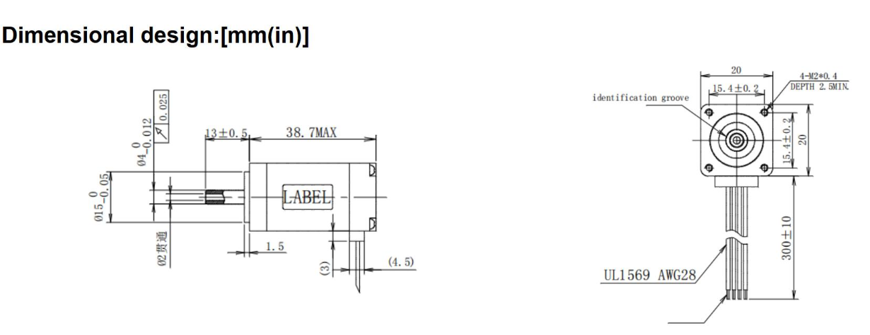
HEM-8D4401-28 尺寸图


b958ea84-ba62-40dd-ad98-83e10d3d4f1a.png

HEM-8D4401-28 扭矩曲线

8D4.png