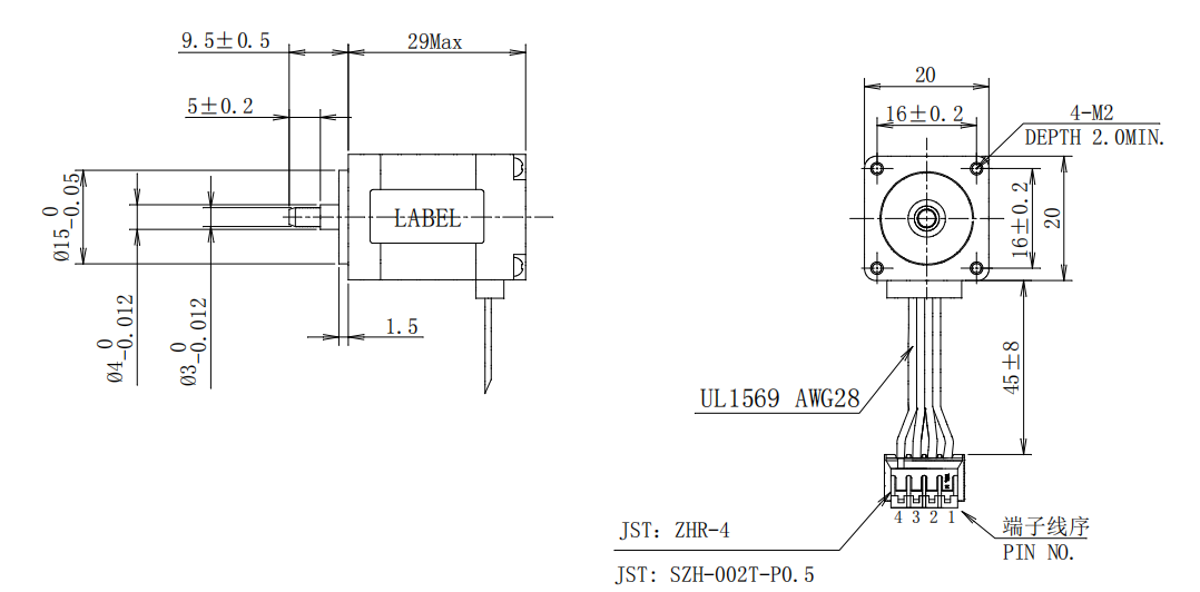
NEMA8是一种紧凑型混合电机,主要应用于小型精密仪器。
HEMM的新nema 8系列产品具有高效率和高性能。
| 步进角 | 1.8°±5% |
| 相数 | 2 |
| 额定电压 | 7.7V |
| 额定电流 | 0.21A |
| 电阻 | 37 ohm±10% AT 25° |
| 电感 | 17 mH±20% AT 1kHz, 1Vrms |
| 保持转矩 | 22mN.m(3.1 oz.in)TYP. |
| 运行扭矩(AT --PPS) | --V.DC, --A/PHASE |
| 介电强度 | 500V A.C/MIN. |
| 绝缘电阻 | 100MΩ+/MIN. |
| 绝缘等级 | CLASS B |
| 温升 | 80K MAX. |
| 转动惯量 | 2g.cm²(0.01oz.in²) |
| 重量 | APPROX. 46g(2.11 oz) |
| 允许推力载荷 | 2N |
| 允许径向载荷 | 20N(ON THE SHAFT END) |
| 工作环境温度 | ‘-20℃---+50℃ |
| 工作环境湿度 | 15%----90% |
| 使用寿命 | 5000HOURS |
