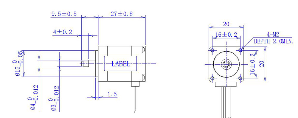
NEMA8是一种紧凑型混合电机,主要应用于小型精密仪器。
新NEMA8系列产品具有高效率和高性能。
| 步进角 | 1.8°±5% |
| 阶段数 | 2 |
| 额定电压 | 4.2 V |
| 额定电流 | 0.21 A |
| 阻力 | 20 ohm±10% AT 25° |
| 电感 | 5 mH±20% AT 1kHz, 1Vrms |
| 保持转矩 | 15mN.m(2.12 oz.in)TYP. |
| 运行扭矩(AT--PPS) | --V.DC, --A/相位 |
| 介电强度 | 500V A.C/MIN. |
| 绝缘电阻 | 100MΩ+/MIN. |
| 绝缘等级 | B类 |
| 温升 | 最大80K |
| 转动惯量 | 2 g.cm²(0.01oz.in²) |
| 重量 | 约60克(2.11盎司) |
| 允许推力载荷 | 2N |
| 允许径向载荷 | 20N(轴端) |
| 工作环境温度 | ‘-20℃---+50℃ |
| 工作环境湿度 | 15%----90% |
| 生命 | 5000小时 |

| 电压 | 24V.D.C | ○ | 供应 | 绕组 | |
| 电流 | 0.21A/相位 | ○ | 峰值 | AVE | |
| 激发 | 全速 | ||||
| 驱动电路 | 单极 | # | 双极 | ||
| 惯性载荷 |

